Mutfak Elektronik Tartı için LCD Ekran Modülü
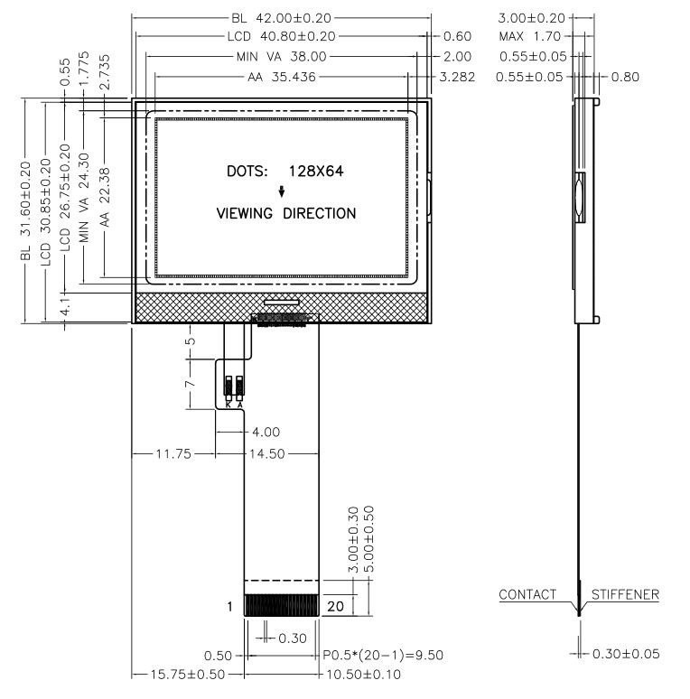
LCD ekran modülü, el aletleri için 128x64 nokta standart boyutlu LCD'dir; boyut boyutu 42.0x31.60mm ve görüş alanı 38.0x24.30mm; ST7567 denetleyicili DFSTN malzemesi.
- ürün tanıtımı
Ürün Detayları
LCD ekran modülü, el aletleri için 128x64 nokta standart boyutlu LCD'dir; boyut boyutu 42.0x31.60mm ve görüş alanı 38.0x24.30mm; ST7567 denetleyicili DFSTN malzemesi. Bu LCD için mavi, siyah ve gri olmak üzere üç arka plana sahibiz ve gereksinimlerinize göre boyut dahil özelleştirebiliriz.
Şartname



Özel LCD Süreci
LCD çizimini tasarlayın: Mühendisimiz LCD çizimini müşterilerin gereksinimlerine göre tasarlayacak, yaklaşık 1-3 gün sürecektir.
LCD çizimini onaylayın: Çizim tasarımını bitirdiğimizde, onay için müşteriye göndereceğiz.
Takım ve numune üretimi: Müşteri çizimin tamam olduğunu onayladığında, takım ve numune üretimine başlayacağız, yaklaşık 15 ila 30 gün sürecektir. (LCD türlerine göre değişir)
Seri üretim: Numune üretimini bitirdiğimizde, test için müşteriye 5 adet ücretsiz numune göndereceğiz; ve numuneler uygunsa, seri üretime başlarız, yaklaşık 30-40 gün sürer.

Popüler Etiketler: Mutfak elektronik terazisi için LCD ekran modülü, Çin, tedarikçiler, fabrika, özelleştirilmiş, teklif, indirim satın al, ücretsiz numune, Çin malı











